This page is still under construction, I am using it as my
online notebook. To Do It's time to finalize and sort the content on this page, but ...! ;-) |
|||||||||||||||
Bauelemente, Baugruppen |
|||||||||||||||
| "Die Einen kochen und kreieren leckere Gerichte; hier findet
man einige Zutaten zur Realisierung elektronischer Schaltungen." mkn, 2013, ;-) |
|||||||||||||||
Leitungen |
|||||||||||||||
Koaxial-Kabel |
|||||||||||||||
| Impedanz, Dämpfung, max. Betriebsfrequenz, max. Belastbarkeit | |||||||||||||||
| Hochfrequenz-Kabel RFS Technische Grundlagen | |||||||||||||||
| RG-58 | |||||||||||||||
| http://www.ame-hft.de/pdf/koax/rg213u.pdf | http://www.ame-hft.de/ | ||||||||||||||
| MIL-C-17F RG 223 U 50 OHM | |||||||||||||||
| MIL - C - 17F RG 223 U 50 OHM | |||||||||||||||
| PTFE - 50 Ohm - double screen | |||||||||||||||
| Hersteller: Huber &
Suhner Kabeltyp: K_02252_D Type K_02252_D Datenblatt Datenblatt Rev. G |
Wellenwiderstand: 50 Ohm Frequenzbereich: ≤ 6 GHz Innenleiter: Stakulitze Kupfer, Silber beschichtet 7 x 0,17 mm Innenleiterdurchmesser: 0,54 mm Dielektrikum: PTFE, 1.55 mm Außenleiter 1: Kupfergeflecht, versilbert Außenleiter 2: Kupfergeflecht, versilbert Mantel: FEP, braun-transparent Außendurchmesser: 3,0 mm Temperaturbereich: -65 °C bis + 165 °C |
||||||||||||||
www.koax24.de k-02252-d![]() |
|||||||||||||||
|
http://www.kabel-kusch.de/Koaxkabel/SSB-Kabel/aircell7.htm |
|||||||||||||||
| Konfektionierte Kabel | |||||||||||||||
| Flohmarkt-Besuch und Identifikaton des Erworbenen | |||||||||||||||
| RF Kabel 1,50 N-m/N-m FSJ2-50, HELIAX® Superflexible Foam Coaxial Cable, corrugated copper, 3/8 in, black PE jacket FSJ2-50 Dämpfung pro 100 m: 22.247 dB für 2500 MHz |
CommScope to Acquire Andrew for $2.6 Billion | ||||||||||||||
| GHz-Tagung in Dorsten 2018 | |||||||||||||||
| SMA-Winkelstecker mit Kabelstücken, ca.23 cm, 50 Cent/Stk. | |||||||||||||||
| SMA Verbinder SMA/m Winkelstecker |
Präzisions-Verbinder-pc-1-85-pc-3-5-sk-sma http://www.honova.com/file/SMA.pdf |
||||||||||||||
| Kennzeichnung des Kabels - SUHNER Switzerland GX 03272 D-70 50 +/- 2 Ohm oder 0-70 - Cables/page/3 |
|||||||||||||||
| 22510959.pdf | |||||||||||||||
|
GX_03272 - Download |
85070085 | ||||||||||||||
| GX_03272_D-06 | |||||||||||||||
| Technical Information: High Power Operation of Coaxial Assemblies | |||||||||||||||
| - CEAM M17/84 RG 223/U 50 OHM MIL C17G - Länge 78 cm - BNC-m, N-m(Winkelstecker) - C über Alles, einschließlich Steckverbinder: 71 pF UT139C |
-
RG_223__U.pdf - 105 pF/m |
||||||||||||||
75 Ohm Kabel |
|||||||||||||||
| -
DRAKA 0.6/2.8 AF Video Cable 75 Ohm HDTV FRNC - Marking: DRAKA - 0.6/2.8 AF - 75 Ω ± 1% - HDTV FRNC - DC resistance Inner conductor 61 Ω/km Outer conductor 17 Ω/km |
DC-Speisung via Kabel - total 78 Ω/km - 0,78 Ω/10 m - I=1 A -> 0,78 V Spannungsabfall - I konstant oder modulationsabhängig? - Erdschleifen? |
||||||||||||||
| Bestimmung Kabeltyp | |||||||||||||||
| - Markierung auf dem Kabel auswerten - Sind Stecker montiert? Wenn ja, Typ bestimmen. |
|||||||||||||||
| - Koaxialkabel Grün, konfektioniert, 2* BNC-m Stecker | |||||||||||||||
| Fabrica Milanese Conduttori - Milano - https://www.cavel.it/de - https://www.cavel.it/de/prodotti/cavi/1/6/09 - https://www.cavel.it/images/cataloghi_sfogliabili/IT/Coax/Catalogo-cavi-coassiali.pdf - https://www.cavel.it/de/prodotti/1/6/09/RG58C-U |
|||||||||||||||
| - Länge bestimmen - Kapazität messen - Induktivität messen - Abschluß mit 50 Ohm, Eingangsimpedanz messen |
|||||||||||||||
| Kabel dunkelgrün - Außendurchmesser 6,3 mm - Länge: ca. 10,6 m - Schleifenwiderstand - Außenleiter: 0,3 Ohm - Innenleiter: 1 Ohm - Kapazität: 707 pF - Messung von Z des Kabels mit einem 75 Ohm Abschluß |
|||||||||||||||
![]() |
|||||||||||||||
- Einfügedämpfung des Kabels in einem 50 Ohm System ![]() |
|||||||||||||||
| Kabel SUHNER SWITZERLAND RG-223/U 50 +- 2 Ohm |
https://kabel-kusch.de/Koaxkabel/RG223/rg_223.htm |
||||||||||||||
| - Stecker 2* BNC-m - Länge 10 m, 1013 pF - Datenblatt |
|||||||||||||||
| Dämpfung bei 432 MHz: 3 dB | |||||||||||||||
| Kabel SUHNER RG-223/U 50 +- 2 Ohm, Aus dem
Lager! - Außendurchmesser 5,25 mm - Mantel: schwarz - Länge: ca. 8,1 m - Stecker 2* BNC-m - Schleifenwiderstand - Außenleiter: 0,1 Ohm gemessen mit UT139C. Achtung Auflösung! - Innenleiter: 0,2 Ohm - Kapazität: 806 pF - Messung von Z des Kabels mit einem Abschluß |
|||||||||||||||
![]() |
|||||||||||||||
| - ®HUBER+SUHNER DATA SHEET Coaxial Cable:
RG_223_/U - Kapazität: 101 pF/m - Dämpfung 0.3 GHz 0.23 dB/m 0.6 GHz 0.34 dB/m |
|||||||||||||||
|
|||||||||||||||
![]() |
|||||||||||||||
| AIRCELL 7, 50 Ohm | |||||||||||||||
| - Datenblatt | |||||||||||||||
| - Länge 10 m, 778 pF | |||||||||||||||
| - Dämpfung bei 432 MHz: 1,3 dB | |||||||||||||||
M&P-HYPERFLEX 5
DM: 5,4 mm (.213"), 25 m (82ft)LOT:01190830001 Freq. MHz Atten.dB/100m - 10 2.6 - 28 4.1 - 144 9.6 - 430 17.0 |
- HF-Kabel HyperFlex 5 Kabel Kabel Kusch |
||||||||||||||
| -
https://messi.it/en/catalogue/50-ohm-cables-ham-radio/hyperflex-5.htm - https://messi.it/dati/immagini/MeP-HYF5-CABLES-FULL-LIST--MP-HYPERFLEXAll1_EN.pdf |
|||||||||||||||
| ATTENUATION (20°C /68°F) FREQUENCY dB/100m dB/100ft 1,8 MHz 1,4 0,4 3,5 MHz 1,9 0,5 7 MHz 2,3 0,7 10 MHz 2,6 0,8 14 MHz 3,0 0,9 21 MHz 3,6 1,1 28 MHz 4,1 1,2 50 MHz 5,5 1,7 100 MHz 8,0 2,4 144 MHz 9,6 2,9 200 MHz 11,4 3,4 400 MHz 16,3 4,9 430 MHz 17,0 5,1 800 MHz 23,4 7,1 1000 MHz 26,4 8,0 1296 MHz 30,5 9,3 2400 MHz 42,5 12,9 3000 MHz 48,1 14,6 4000 MHz 56,9 17,3 5000 MHz 65,2 19,9 6000 MHz 72,9 22,2 |
POWER HANDLING (40°C/104°F) FREQUENCY MAX Power 1,8 MHz 1274 W 3,5 MHz 987 W 7 MHz 809 W 10 MHz 717 W 14 MHz 620 W 21 MHz 518 W 28 MHz 453 W 50 MHz 338 W 100 MHz 235 W 144 MHz 195 W 200 MHz 165 W 400 MHz 115 W 430 MHz 111 W 800 MHz 80 W 1000 MHz 71 W 1296 MHz 62 W 2400 MHz 44 W 3000 MHz 39 W 4000 MHz 33 W 5000 MHz 29 W 6000 MHz 26 W |
||||||||||||||
| SRL 0,3-600 MHz >28 dB 600-1200 MHz >25 dB 1200-2000 MHz >22 dB |
|||||||||||||||
Konfektionierte Kabel |
|||||||||||||||
| BNC-m/SMA-m RG316 50cm | |||||||||||||||
| Eingangskontrolle - Foto Verpackung Brief, etc Verpackte Kabel - Stückzahl - mechanische Kontrolle Visuelle Prüfung Länge - Steckbarkeit Stecker - Kabelkapazität - Messung Gleichstromwiderstand Innenleiter Aussenleiter - Dämpfung@MHz |
49 pf/52 cm [95 pf/m] RG316 U |
||||||||||||||
| - SAT-Antennenanschlusskabel
mit Wetterschutz, weiß, 5 m - Produktbild - Bestellnr.: 572057 EAN: 4040849672965 Pollin, 30.06.2019, Preis: 3,59 € "Flat-Kabel mit beidseitigen, vergoldeten F-Steckern und Gummi-Wasserschutztülle an einer Seite. Ideal zum Anschluss von LNBs am Multischalter.
Technische Daten:
|
|||||||||||||||
- Fensterdurchführung |
|||||||||||||||
| - ja, eigentlich geht es in der Regel nicht durchs Fenster | |||||||||||||||
| -
HF-Flachbandkabel, 2 F-Buchsen, 570228 Pollin - 0,90 €, 05.11.19 - EAN: 4017538863768 - Beschreibung "HF-Flachbandkabel Dieses Koaxial-Fensterdurchführungskabel mit 2 F-Buchsen erspart das Durchbohren von Wänden und Fensterrahmen. Dämpfung 2...10 dB. Länge 200 mm. " |
|||||||||||||||
| -
SAT KABEL FB: Fensterdurchführung, F-Buchse, 0,2 m bei reichelt elektronik |
SAT KABEL FB Fensterdurchführung, F-Buchse,
0,2 m 75 Ohm |
||||||||||||||
| -
GC 8101-F26Q BNC - Fensterdurchführung transparent 0,26m - Datenblatt - EAN / GTIN 4014619509058 - "Hersteller", Brand: Good Connections® -> ALCASA Elektronik AG - https://www.alcasa.de/index.php?artikel=267948 |
-
https://www.multi-circuit-boards.eu/leiterplatten-design-hilfe/flex-starrflex.html |
||||||||||||||
| - Geeignet wofür? | |||||||||||||||
| -
Fenster- und Balkontürdurchführung in 50Ω Technik! - www.anjo-antennen.de - PFTE isoliertes Koaxkabel, 2,5 mm DM - Länge: 50 cm - Belastbarkeit: KW= 200W 2m Band= 150W; 70cm Band= 100W ; 23- und 13cm Band= 80W - BNC-f - Preis: 26,50 Euro plus Versand, 26.04.2022 |
Durchs Fenster? hi Tipp: diagonal verlegen -> Hinweis und Bild auf der Webseite des Hersteller |
||||||||||||||
| ============================================================ | |||||||||||||||
LAN-Kabel |
|||||||||||||||
| -> Twisted-Pair-Kabel | |||||||||||||||
| Belegung nach TIA/EIA 568B | |||||||||||||||
| Impedanz | |||||||||||||||
| Drähte | |||||||||||||||
| AWG | |||||||||||||||
| Farbcodierung | |||||||||||||||
Patch Kabel |
|||||||||||||||
|
PATCH-C5U 2 GN :: 2,0m Cat.5e U/UTP-Netzwerkkabel, grün, RJ45
Reichelt - 0,70 €, 26.10.2018 |
|||||||||||||||
| RJ45 Patchkabel SF/UTP, Cat.5e, PVC, CCA, grün | |||||||||||||||
|
ECOLAN Patchkabel 2xRJ45 PiMF Cat.6,2,0 Meter Gelb -> RJ45 Patchkabel S/FTP, Cat.6, LSZH, gelb Datenblatt |
ECOLAN ? | ||||||||||||||
| PATCH-C6 2 GE :: 2,0m Cat.6 PiMF-Patchkabel, gelb | |||||||||||||||
| BELKIN SNAGLESS CAT5e UTO PATCH 5 m | |||||||||||||||
| Belegung nach TIA/EIA 568B | |||||||||||||||
| -> Twisted-Pair-Kabel | |||||||||||||||
| https://www.lappkabel.de/ | |||||||||||||||
| - Netzwerkstecker RJ45 Belegung nach EIA/TIA Farbcode - KabelScheune.de | |||||||||||||||
| Cat.5e U/UTP ungeschirmt Patchkabel RJ45 / LAN Kabel /
Netzwerkkabel Ethernetkabel für den Einsatz in Ethernet-Netzwerken, Internetkabel, DSL ungeschirmt Belegung 1:1 nach EIA/TIA 568B.2 Twisted Pair, U/UTP, 4x2xAWG24/7 (7 x 0,202 mm) CCA Innenleiter Material: CCA (Kupfer/Alu) Frequenzen bis 100 MHz 2 x ungeschirmte RJ45 Western-Stecker (8 polig) mit angespritzter Knickschutztülle und vergoldeten Kontaktflächen Längenangabe auf der Steckertülle Außenmantel Ø: 5,4 mm Farbe: grau |
|||||||||||||||
| ============================================================ | |||||||||||||||
Lautsprecher Kabel |
speaker cable | ||||||||||||||
| Speaker cable Q.9947 - 10 m - 1,5 mm2 - Litze, zweiadrig - Made in China - Kupferbeschichtung ? |
Qlive - AUCHAN 2016 ca. 10 Euro |
||||||||||||||
| Lautsprecherleitung
GO/ON -25 m -2*1,5 mm2 -Litze - Für den Audio-Bereich Made for ZEUS GmbH |
|||||||||||||||
| Lautsprecherkabel -> M&G Techno® | 50 m 4 mm2 | ||||||||||||||
| Ihre Eignung für Antennen- und
Feeder-Line-Bau? - Drahtstruktur der Litze - Isolation - UV-Beständigkeit |
--> FUNKAMATEUR | ||||||||||||||
| ============================================================ | |||||||||||||||
Netzkabel |
|||||||||||||||
| Konfektioniertes Netzkabel -> Geräteanschlussleitung | |||||||||||||||
|
Geräteanschlussleitung in kompaktem Desing, Europa, 2 m, schwarz
- Bestell-Nr. 88 F 823 Herstellername Volex Hersteller-Nr. NEUSD3SW20B - 10 A |
Bürklin Elektronik | ||||||||||||||
| -
Volex V1625 - Standard IEC C13 Stecker - 10 A 250V∼ - schwarz |
|||||||||||||||
| -
Volex M2511 -Standard Plug with Dual Earth Contacts - 16 A 250V∼ |
|||||||||||||||
| - Kabel-Kennzeichnung
H05VV-F 3G0,75 mm² - H05VV-F, 3 x 0,75 mm2 |
|||||||||||||||
| ============================================================ | |||||||||||||||
Röhre |
Tube | ||||||||||||||
| Diode | |||||||||||||||
|
- Anode - Kathode |
|||||||||||||||
| Triode | |||||||||||||||
|
- Anode - Gitter - Kathode |
|||||||||||||||
| Tetrode | |||||||||||||||
|
- Anode - Schirmgitter - Gitter - Kathode |
|||||||||||||||
| Pentode | |||||||||||||||
| - Anode - Bremsgitter - Schirmgitter - Gitter - Kathode |
|||||||||||||||
| Klystron | |||||||||||||||
| Reflexklystron WF 10 GHz 3 cm | |||||||||||||||
| Nuvistor | |||||||||||||||
| ============================================================ | |||||||||||||||
Relais |
|||||||||||||||
| Die Induktivität von Relaisspulen richtig messen | |||||||||||||||
| Ersatzschaltbild - Wechsler-Kontaktsatz - Ohmsche Widerstand - Kontaktwiderstand - Induktivität - Kapazitäten HF-Einsatz - Kompensationsmöglichkeiten - Induktivitäten zu Tiefpass ergänzen |
|||||||||||||||
| finder finder Relais | Technische Erläuterungen | ||||||||||||||
| Fritten der Kontakte | - Nicht die vom Imbiss, hi! | ||||||||||||||
| - Frittspannung – Wikipedia | |||||||||||||||
| - Relay Contact Life (te.com) | |||||||||||||||
| -> Elektromechanische Relais | TE Connectivity | |||||||||||||||
| - The application of relay coil suppression with DC relays (te.com) | |||||||||||||||
|
HF-Relais - Welches HF-Relais sich für die Anwendung am besten eignet |
|||||||||||||||
|
Hochfrequenz-Relais 1W 12 Vdc Ars1612 HOCHFREQUENZ_RELAIS_1W_12_VDC_ARS1612.pdf https://www.voelkner.de/ |
HOCHFREQUENZ_RELAIS_1W_12_VDC_ARS1612.pdf Printrelais 12 V/DC 0.5 A 1 Wechsler Panasonic ARS1612 1 St. CONRAD |
||||||||||||||
| SMD-Relais 4.5 V/DC 0.5 A 1 Wechsler Panasonic ARS14A4H 1 St. | |||||||||||||||
| -> Signal-Relais | |||||||||||||||
| ============================================================ | |||||||||||||||
Relais, koaxial |
Coaxial Relay | ||||||||||||||
|
- Impedanz - max. Leistung - Frequenzbereich - Einfügedämpfung - Anpassung - Entkopplung - Anschlüsse |
|||||||||||||||
CX-230 L |
|||||||||||||||
|
CX-230 L - 3* BNC-f - DC: 12 V - I: 160 mA Hersteller: Toyo Tsusho Electric Co. LTD. http://www.henryradio.com/tohtsu.html#cx230l |
![]() SPST, SPDT, and DPDT Switches Demystified |
||||||||||||||
| Surplus Coaxial Relays | |||||||||||||||
| Koaxrelais Kennzeichnung C 039 5Z460 01910 Hersteller: Magnetic Devices Ltd, UK - Umschalter - 3*Masseklemmbügel |
![]() |
||||||||||||||
| http://dg7ybn.de/technical/Coax_Relays.htm | |||||||||||||||
| - CX-201 – Koax-Schalter des Grauens » dl7vdx.com | |||||||||||||||
| ============================================================ | |||||||||||||||
Richtkoppler |
|||||||||||||||
| -
High-Power_Directional_Couplers_with_Excellent_Performance |
|||||||||||||||
| ============================================================ | |||||||||||||||
Steckverbinder |
|||||||||||||||
| Rastersteckverbinder 2,50 mm | |||||||||||||||
Stecker, Buchsen, Steckverbinder |
|||||||||||||||
| Angaben zu diversen HF-Steckern by OE5VLL | |||||||||||||||
| Passive Intermodulation by HUBER+SUHNER | |||||||||||||||
Anschlußklemmen |
|||||||||||||||
|
AKL 101-04, Anschlussklemme, 4-pol, Ø 2 mm, RM 5,08 - Datenblatt - Bohrung auf Leiterplatte 1,3 mm DM |
|||||||||||||||
|
Hohlstecker-Adapter DAYCOM A-HK5.5X2.1/SK
452101 0,85 €, 05.02.2020, Pollin Hohlkupplung 5,5/2,1 mm und 2-polige Schraubklemme Beschreibung: Klemmen mit Drahtschutz Klemmbereich: max. 1 mm² Maße (LxBxH): 37x14x13 mm |
|||||||||||||||
| ============================================================ | |||||||||||||||
RF Steckverbinder |
|||||||||||||||
| Qualität hat seinen
Preis, Kompromiss zwíschen Anwendung und Preis, wo liegt dieser? SWR und
Frequenzbereich Welchem Anbieter kann man trauen? Qualität ohne Spezifikation? |
|||||||||||||||
| -
How to Select, Use, and Maintain Coaxial Connectors for RF Applications
by Art Pini |
|||||||||||||||
| - Crimp Anleitungen by reicheltpedia, das Wiki für Elektronik | |||||||||||||||
| - BKL Electronic Kreimendahl |
SMA-Stecker,
Crimpausführung, RG 174/U-RG 316/U - Montageanleitung - Video |
|||||||||||||||
| 50-Ohm- oder 75-Ohm-Stecker? - BNC-Steckverbindung – identisches Steckerprofil für unterschiedliche Wellenwiderstände by Joachim Müller, hf-praxis 2014 H.7 |
https://www.beam-verlag.de/fachzeitschriften/hf-praxis/ https://www.beam-verlag.de/fachartikelarchiv-hf-technik/ |
||||||||||||||
| Subminax, Subvis, SMC | DDR, RFT | ||||||||||||||
| Amphenol - Sub-Minax Connector | |||||||||||||||
|
http://www.cdint.com/catalog/model/CC-SC |
|||||||||||||||
|
https://www.mouser.de/new/amphenolrf/amphenolrf-smc-connectors/ |
|||||||||||||||
| -RF
Connectors / test equipment connectors from WA1MBA - "RF CONNECTORS FOR UPPER FREQUENCIES" - gelungene Übersicht mit Zusatzinformationen |
-> WA1MBA Amateur Radio Microwaves | ||||||||||||||
| ============================================================ | |||||||||||||||
RF Adapter |
|||||||||||||||
| BNC-Adapter | |||||||||||||||
| BNC-Adapter, BNC-Stecker(BNC-m) / 2x
Polklemme(sw,rt) - Adapter von BNC-Stecker auf 2x 4mm-Polklemme |
GE 860 reichelt elektronik | ||||||||||||||
| BNC-Adapter, BNC-Buchse(BNC-f) / 2x Polklemme(sw,rt) | K126 reichelt elektronik | ||||||||||||||
| BNC-Stecker-Polklemme |
|||||||||||||||
| Adapter N/m-N/m 50 Ohm | |||||||||||||||
| 32 N-50-0-1/133 SUHNER Montageanleitung: 85643 32_N-50-0-1-133_NE |
http://www.hubersuhner.com/de Google 32 N-50-0-1/133 SUHNER |
||||||||||||||
| Adapter N-m/BNC-f | |||||||||||||||
| - 2/6,6 -3/7 EBD noch DDR-Bestand | |||||||||||||||
| SMA Adapter
Buchse-Buchse Marke: RND connect RND 205-00500 Datenblatt - 1,99 € 10.03.2017, 4,69 € 06.02.2019 bei Reichelt |
und bei distrelec.de ? |
||||||||||||||
| -
SMA 2XST SMA-Steckverbinder, Stecker / Stecker - Datenblatt |
![]() |
||||||||||||||
| - SMA-Buchse PCB Randmontage Solder 0,062 '' RF Adapter Stecker UE | - SMA-Buchse für Leiterplattenmontage by Box73 | ||||||||||||||
| - SMA-f PCB 1,5 mm |
![]() |
||||||||||||||
| -
U.FL-Steckverbinder, Stecker, 50Ω, gerade, SMD - Abmessungen |
|||||||||||||||
| -
Receptacles/Jack applied with IPEX/U.FL Plug and RF10.81/RF1.13 coaxial
cable |
Bild | ||||||||||||||
|
FB EPW, F-Steckverbinder, Buchse, Printmontage, gewinkelt Reichelt - Datenblatt |
|||||||||||||||
| - Hohlstecker-Adapter, Kupplung 5,5/2,1, Klemme,
DAYCOM A-HK5.5X2.1/SK - 452101 Pollin, 085€ 02.04.2019 |
|||||||||||||||
| Flachkabel und Pfostenstecker by DL6GL | |||||||||||||||
|
-
RTM 1-100 Lötnägel 1mm -"Lötstifte Länge gesamt : 10 mm Nagelspitze: 3,5 mm Schaft: 6,0 mm D : 1,05 mm Werkstoff: Messing" - - Testpunkte auf Leiterplatte |
|||||||||||||||
|
-
AW 122/32 IC-Adapterleiste, 32-polig, einreihig, RM 2,54 Datenblatt |
|||||||||||||||
RF Transformer/Übertrager |
|||||||||||||||
|
- How RF
transformers work and how they are measured by MCL - Application Note on Transformers AN20-002.pdf - Bilder zum Aufbau - RF Transformers |
|||||||||||||||
| -
Demystifying RF Transformers: A Primer on the Theory, Technologies and
Applications | 2019-10-10 | Microwave Journal |
|||||||||||||||
| - Balun für Impedanzmessbrücken WOLFGANG
WIPPERMANN- DGOSA, sk FUNKAMATEUR 2011 H. 9 S. 947 - Balun. C. L. Ruthroff [4] |
|||||||||||||||
| -
Some Broad-Band Transformers" Ruthroff Aug-1959.pdf |
|||||||||||||||
| -> worldradiohistory.com/Archive-IRE/50s/IRE-1959-08.pdf | |||||||||||||||
| ============================================================ | |||||||||||||||
Rauschquellen |
|||||||||||||||
| - Untersuchungen an Rauschquellen by Wolf-Henning Rech, DF9IC | |||||||||||||||
| ============================================================ | |||||||||||||||
Sicherung |
|||||||||||||||
| - Nennwert und wann brennen sie endlich durch? | |||||||||||||||
| G-Sicherungseinsätze | |||||||||||||||
| ESKA | |||||||||||||||
| EN 60127-2-2 | |||||||||||||||
| 20 x 5 mm | |||||||||||||||
| Ausschaltvermögen / breaking capacity | |||||||||||||||
| Flink Mittel Träge -Entschaltstrom des zu sichernden Gerätes beachten |
-Einschaltstrom des zu sichernden Gerätes beachten | ||||||||||||||
| Flink | |||||||||||||||
| Schmelzzeit-Grenzwert / Pre-arcing time limits | |||||||||||||||
|
|||||||||||||||
| -Quelle | |||||||||||||||
| - 350 mA | |||||||||||||||
| - 1,6 A | |||||||||||||||
| -
KES 2SI, Kaltgerätestecker mit Sicherungseinsatz, 4,8 mm Faston - Datenblatt |
Reichelt | ||||||||||||||
Zirkulator & Isolator |
|||||||||||||||
| Understanding Circulators & Isolators | circulator & isolator | ||||||||||||||
| Space L-band high power ferrite isolator | |||||||||||||||
| Zirkulatoren und Isolatoren by beam Verlag | |||||||||||||||
|
https://telemeter.info/de/zirkulatoren-isolatoren |
|||||||||||||||
Patch-Antenna |
|||||||||||||||
|
Passive Patch Antenna- Application Note https://abracon.com/uploads/resources/Abracon-White-Paper-Antenna-Impedance-Matching.pdf |
ABRACON |
||||||||||||||
| LTE Antenne | |||||||||||||||
|
SmartBlade
Antenna
LTE Adhesive mounted Operating system: 2G/3G/4G/5G Frequency: 698 – 960 MHz/1420 – 1520MHz/1710 – 2690 MHz / 3400 - 3800MHz Gain: 1,5 – 5,5dBi Color: Black or Grey |
-Smarteq Wireless AB a company of Allgon Group | ||||||||||||||
| - Prod No:
710418 Smartblade Black 2,5m RG316 Black SMA-m 698-960/1710-2690 MHz SMARTEQ antennas |
- RG316U |
||||||||||||||
| - PCB based dipole multiband antenna | |||||||||||||||
| Lautsprecher | loudspeaker | ||||||||||||||
Mikrofon |
microphone | ||||||||||||||
| Umwandlung von Schallwellen in elektrische Signale | |||||||||||||||
| - Kohle-Körner | |||||||||||||||
| - dynamisch | |||||||||||||||
| Dynamische Telefonhörer-Kapsel als Mikrofon | |||||||||||||||
| - Kondensator | |||||||||||||||
| - Elektret-Mikrofon | |||||||||||||||
|
A HISTORY OF CONSUMER MICROPHONES: THE ELECTRET CONDENSER MICROPHONE
MEETS MICRO-ELECTRO-MECHANICAL-SYSTEMS by Gary W. Elko, Kieran P.
Harney High Performance, Low Noise Studio Microphone with MEMS Microphones, Analog Beamforming, and Power Management by Analog Devices Toward More-Compact Digital Microphones by Jannik Hammel Nielsen, Claus Fürst AN-1112: Microphone Specifications Explained http://www.ekulit.org/index.php?id=36 EKULIT |
|||||||||||||||
| Georg Neumann GmbH | |||||||||||||||
| Grundlagen der Mikrofontechnik | "Mikrofone", Bore/Peus, deutsch, 78 Seiten | ||||||||||||||
| im Download-Bereich: HF-Einstreuung auf Mikrofone und Zuleitungen | GN-Info 83218, 08/1983, deutsch, "Einige Hinweise bei HF-Störungen im Studio" | ||||||||||||||
| THIECOM | |||||||||||||||
| "Mikrofon-Normen bei Funkgeräten" | https://www.funkberatung.de/ftp/zubehoer/mikrofone/ | ||||||||||||||
| Earphone, Ohrhörer, Kopfhörer | |||||||||||||||
| CFG3639026 - 32 Ohm - CONDOR |
Stereo-Ohrhörer, 3,5 mm-Klinkenstecker - Verwendung als Behelfsmikrofon |
||||||||||||||
| Die Sammlung von Ohrhörern wächst kontinuierlich und
was tun damit? Alternative Nutzungen - Was ist drin? - Nutzung der Anschlußleitung plus Stecker - ??? |
|||||||||||||||
| Headphone | |||||||||||||||
Headset |
|||||||||||||||
| SENNHEISER_Headset_PC_320 | |||||||||||||||
| -
SENNHEISER PC8: Headset, USB, VoIP, Stereo, PC 8 USB bei reichelt
elektronik - Datenblatt |
Preis: 22,95 Euro 22.02.2023 | ||||||||||||||
| Transformator | transformer | ||||||||||||||
| Audio-Übertrager Impedanz: 600 Ω Induktivität: 1.2 H Primärspannung: 1.55 V Breite: 19.5 mm Höhe: 17 mm Impedanz: 600 Ω 739708-da-01-en-Uebertrager_1_55V_600_Ohm |
CONRAD | ||||||||||||||
|
CONRAD 516686
|
|||||||||||||||
|
Bestimmung der Parameter für das
Ersatzschaltbild - http://dh2mic.darc.de/files/fa-sm-mod-mit-nfu1-3.pdf - https://home.zhaw.ch/hhrt/EL3/4_Uebertrager/EL3_Th4_Uebertrager.pdf - Drosseln_Netztrafos_Uebertrager_OL_rm_v10.pdf - https://www.eit.uni-kl.de/hauck/lehre/GLAB_II/GLAB%20II%20-%20Versuch%207.pdf |
|||||||||||||||
Lautsprecher, Verstärker, USB powered |
Das Kürzel USB-Lautsprecher sei entschuldigt. | ||||||||||||||
| HP S3100-USB-Lautsprecher | |||||||||||||||
| - HP S3100 USB-Lautsprecher, Schwarz Bild | |||||||||||||||
| - HP S3100-USB-Lautsprecher, schwarz Support, Bedienungsanleitung | |||||||||||||||
| - Kauf: ALDI-Nord, Sommer 2019, Abverkauf(?): 12,99 € | |||||||||||||||
| - Kennzeichnung hp Product No.: V3Y47AA Spare Part No.: 855925-001 Model No.: UA2168 Rating: 5V=1A Made in China HP Inc. S/N.: 1CQ80402WR |
|||||||||||||||
| - Verwendung: Lautsprecher für PC und Laptop | |||||||||||||||
| Technische Daten: - Leider ist HP im Consumer-Bereich wieder sehr zurückhaltend mit technischen Daten. |
EAN: 889894958693 | ||||||||||||||
| Installation | |||||||||||||||
| - Anschluß an PC, Laptop, Windows 10 - NF-Ausgang, 3,5 mm-Buchse, Stereo - USB-Buchse: 5 V, 1 A - Geräteverwaltung des NF-Ausgabe-Kanal wählen |
|||||||||||||||
- Stromaufnahme messen |
![]() |
||||||||||||||
| Bedienelemente | |||||||||||||||
| - Ein-/Aus-Schalter - Lautstärkeregler |
|||||||||||||||
| Verwendung ohne PC als Verstärker für Audio-Quellen | |||||||||||||||
| - mögliche Audio-Quellen - Stromversorgung über USB-Netzteil: 5 V, 1 A |
|||||||||||||||
| - Signalverfolgung bei NF-Verstärker-Fehlersuche | |||||||||||||||
| Probleme, FAQ | |||||||||||||||
| - Grundrauschen | |||||||||||||||
USB-RS232-Interface |
|||||||||||||||
USB-UART-Umsetzer |
|||||||||||||||
|
Mini-USB-Modul UM2102N, Komplettbausatz by
ELV - Hersteller: eQ-3 AG |
USB-2.0-UART-Umsetzer mit
CP2102N
Betrieb an 5 V und 3,3 V möglich Zwei Spannungsausgänge für eigene Schaltungen: 5 V/500 mA und 3,3 V/100 mA Signale: RXD, TXD, RTS, CTS Remote-Wakeup- und Suspend-Pins nach außen geführt Treiber für VCP und USBXpress einsetzbar |
||||||||||||||
| - Fachbeitrag: Kompakt umgesetzt – Mini-USB-UART-Umsetzer | |||||||||||||||
| - Download zu: Mini-USB-Modul UM2102, Komplettbausatz (68-09 18 59) | |||||||||||||||
| -
Elektronikwissen: Firmwareentwicklung mit Debug-Ausgabe über UART (TxD) - https://www.elv.de/controller.aspx?cid=42&detail=5&detail2=0&search=UM2102 - ELV Mini-USB-Modul UM2102 |
|||||||||||||||
| - Optisch getrenntes USB-Modul UO2102, Komplettbausatz | |||||||||||||||
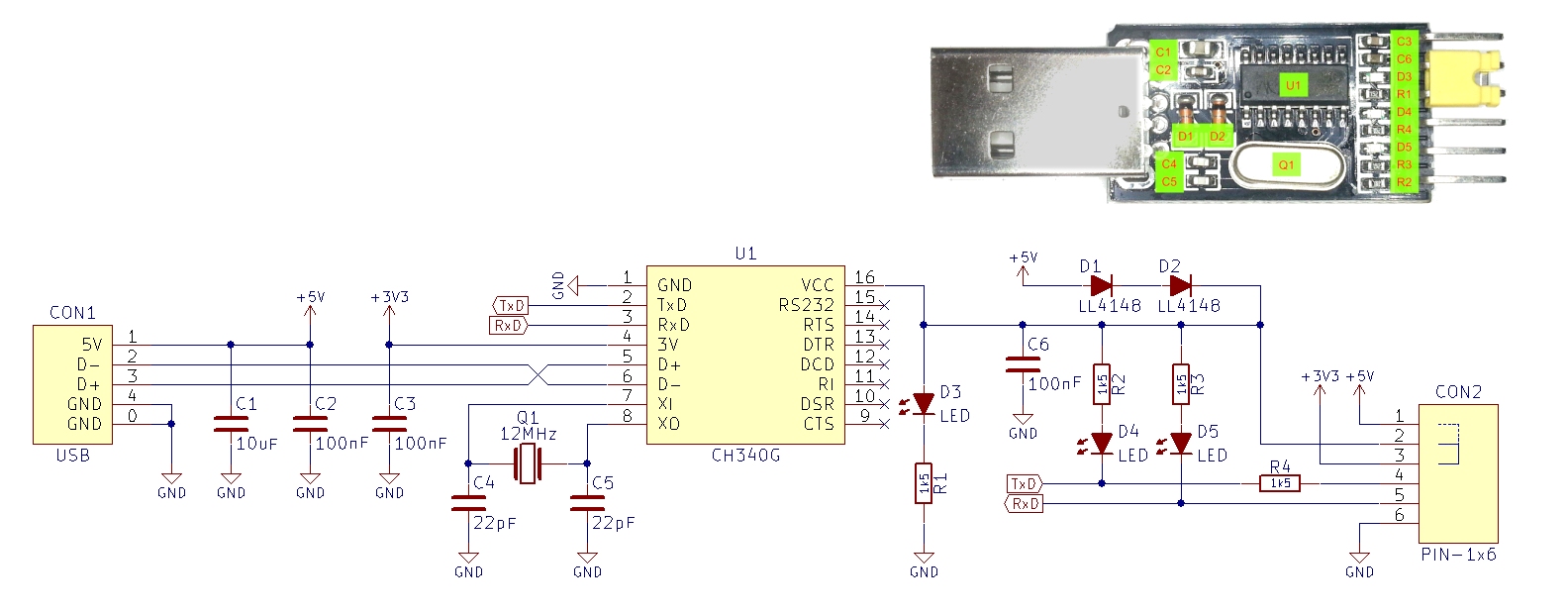
USB to TTL UART Converter Module CH340G 3.3V 5V |
|||||||||||||||
| -
USB to UART Bridge
Controller CH340 Nanjing
Qinheng Microelectronics Co., Ltd. |
|||||||||||||||
| - USB 2.0 CH340G TTL Konverter Adapter by Makershop | |||||||||||||||
| -
QITA USB 2.0 TTL Konverter Adapter CH340G UART By Eckstein-Shop - Treiber |
|||||||||||||||
| - USB to TTL UART Converter Module CH340G 3.3V 5V by LogicNeed | |||||||||||||||
- Schaltbild |
|||||||||||||||
| Anschlüsse: USB A Connector (male) Steckerleiste: 6 pins Pinbelegung: +5V: Spannungsversorgung für externes Board 5V VCC: 3V3: Spannungsversorgung für externes Board 3,3V (Stromstärke begrenzt auf wie viel mA?) TXD: Datenleitung RXD: Datenleitung GND: Masseanschluss |
|||||||||||||||
| ----------------------------------------------- | |||||||||||||||
| - USB OTG Y Adapterkabel mit Stromeinspeisung A Buchse - Micro B Stecker & Buchse | |||||||||||||||
Klemmen |
test clips | ||||||||||||||
| Mueller Electric | Kelvin Clips | ||||||||||||||
Stromversorgung |
|||||||||||||||
| - Wandlung - Transformation - Gleichrichtung - Netztransformator - Eingangsspannung: 230 V Wechselspannung, 50 Hz |
|||||||||||||||
| -
MW 3K10GS Universal-Schaltnetzteil, 12 W, 3 - 12 V, 1000 mA
dies wurde bestellt, ein HyCell HCPS1000(Art.-Nr.1201-0007 wurde am 19.02.2020 geliefert - Kommentar vom Reichelt-Servicedienst, das Logo sei falsch, die Webseite muß noch geändert werden, wenn ich es nicht haben will, dann bitte zurückschicken. Technische Daten zum Liefergegenstand kann er nicht bereitstellen, diese müsste ich bei Produktmanager anfordern. [20.02.2020, mkn] |
Reichelt | ||||||||||||||
| - Datenblatt | |||||||||||||||
| - GS25E15-P1J: Steckernetzteil, 25 W, 15 V, 1,66 A | |||||||||||||||
| -
MW 3H36GS Universal-Schaltnetzteil, 36 W, 5 - 15 V, 3000 mA |
|||||||||||||||
| - AC-> DC | |||||||||||||||
| AC(DC)-DC-Spannungsregler | |||||||||||||||
| Spannungsregler-Bausatz
LM317T - 810029 Pollin, 4,95 €, 31.01.2020 - Anleitung (Aufbau, Schaltplan, Bestückung) |
|||||||||||||||
| Spannungsregler-Bausatz LM317T Pollin 4,95 Euro 19.01.2020 | |||||||||||||||
| - Datenblatt | |||||||||||||||
| Technische Daten: Eingangsspannung 3...24 V~ Ausgangsspannung 1,2...24 V- , max. Ausgangsstrom max. 1 A Abmessungen des aufgebauten Moduls: 56x51x31 mm |
Netztrafo | ||||||||||||||
| -
Stromversorgung LM317 AC/DC Adjustable Voltage Regulator Step-down Power
Supply Module |
6,58 Euro, Bestellt: 19.01.20 Empfangen: |
||||||||||||||
Spannungsregler |
|||||||||||||||
| TS 5204 CX33 LDO-Regler, fest, 3,3 V, SOT-23 | |||||||||||||||
Rauscharme Spannungsquelle |
|||||||||||||||
|
http://www.wenzel.com/documents/finesse.html |
|||||||||||||||
| - Simple circuits reduce regulator noise floor Steve Hageman -October 15, 2013 EDN | |||||||||||||||
| MAX6350CPA/MAX6350CPA-ND/1867085 | |||||||||||||||
Schaltregler |
|||||||||||||||
|
Topologien
von Schaltnetzteilen by
www.attempo.com |
- DC/DC switching regulators by TI, zum Einlesen | ||||||||||||||
| Exakte Welligkeitsmessungen an Schaltregler-Stromversorgungen by elektronikpraxis.vogel.de | |||||||||||||||
|
Messung der Störspannung an DC/DC-Schaltreglern by WÜRTH
ELEKTRONIK --> ANP010: Messung der Störspannung an DC/DC-Schaltreglern pdf |
|||||||||||||||
|
Gleichstromverluste am Ausgangsfilter eines Schaltreglers by
WÜRTH ELEKTRONIK ANP009: Gleichstromverluste am Ausgangsfilter eines Schaltreglers pdf |
|||||||||||||||
|
Netzteil zur Hutschienenmontage NZT80086 Hinweise zum Betrieb der Netzteile von Mean Well by FUHR - unter Download, Montageanleitungen |
|||||||||||||||
| LT1073 Micropower DC/DC Converter Adjustable and Fixed 5V, 12V By Linear Technology | |||||||||||||||
| - Understanding, Measuring, and Reducing Output Voltage Ripple by TI | |||||||||||||||
| - Output Noise Filtering for DC/DC Power Modules | |||||||||||||||
| - EMI Mitigation Techniques Using the LMZM23601 | |||||||||||||||
| DC-Abblockung digitaler Schaltkreise | |||||||||||||||
| - Stromspitze des IC's - 100 nF Keramikkondensator pro IC - 100 µF Elko für mehrere IC's - Gestaltung der Masseführung und Betriebsspannungszuführung |
|||||||||||||||
| -
https://www.meanwell-web.com/ |
|||||||||||||||
|
MW RT-65D Schaltnetzteil, geschlossen, 65 W, 5/24/12 V, 4/1,5/1 A
Reichelt - Datenblatt |
-25,35 € 08.03.2019 | ||||||||||||||
| AC-DC Triple output enclosed power supply; Output +5Vdc at 4A +24Vdc at 1.5A +12Vdc at 1A | |||||||||||||||
| -
https://www.meanwell-web.com/en-gb/ac-dc-triple-output-enclosed-power-supply-output-rt--65d |
|||||||||||||||
| -
RT-125D - AC-DC Triple output enclosed power supply; Output +5Vdc at 8A +24Vdc at 3A +12Vdc at 2A |
|||||||||||||||
| Schaltnetzteil | |||||||||||||||
| SunPower AC/DC-Einbaunetzteil SPS 100-12 | Bild | ||||||||||||||
| - 12 V/DC 8.5A 100W Marke: SunPower | |||||||||||||||
Importeur https://www.dehner.net/detail/index/sArticle/977?number=510315_102164 - Download SPS-100(P)_datasheet Hersteller SUNPOWER TECHNOLOGY CORP. Taiwan |
![]() Quelle: Amazon |
||||||||||||||
| - SPS-100 -xx series without PFC choke | |||||||||||||||
| - FAQ | |||||||||||||||
DC-DC-Wandler |
|||||||||||||||
|
SBT5333 DROK® DC Car Power Supply Voltage Regulator Buck Converter 8A/100W 12A Max DC 5-40V to 1.2-36V Step Down Volt Convert Module for Battery, Power Transformers, DIY Adjustable Voltage Regulator Reviews |
|||||||||||||||
| oder http://kimgrity.com | |||||||||||||||
| CN4015A DROK® DC-DC Buck Converter Regulator 4-38V to 1.25-36V 5V/12V Power Supply Module 5A, LED Voltmeter Display | |||||||||||||||
|
XL4015 http://www.xlsemi.com |
|||||||||||||||
| AZ-Delivery | AZ-Delivery ->E- Books | ||||||||||||||
| -
LM2596S DC-DC Netzteil Adapter Step down Modul
[29.01.2020] - Schaltregler - technische Unterlagen: Datenblatt, PINOUT, Schaltbild, ... - Abmessungen 45 mm x 20 mm x 15 mm - Bestückung des Moduls IC LM2596S SIMPLE SWITCHER® Power Converter 150-kHz 3-A Step-Down Voltage Regulator datasheet (Rev. D) - Schaltbild stimmt nicht mit den gelieferten Schaltregler-Modulen überein - Verpolungsschutzdiode D1 am Eingang fehlt - Kondensator C1: 100 uF/50 Volt [Schaltbild 220 uF/35 V] - Induktivität L1: 47 uH [Schaltbild 33 uH] Datenblatt - Schaltdiode D3, Markierung SS34, 1N5822 SS34 SMA SMD 3A 40V Schottky Diode Datenblatt ST 1N5822 KEXIN 1N5822 - laut Schaltbild: SK54B - Einstellregler R4 10 kOhm Datenblatt(ähnlich) - Anschlüsse verlöten oder Pin's anlöten(Verwendung auf Bread Board - Was ist vorhanden im Lager? -> RTM 1-100 Lötnägel 1mm (Reichelt) RTM 1-100 Lötstifte L gesamt : 10 mm Nagelspitze: 3,5 mm Schaft: 6,0 mm D : 1,05 mm [ evtl. zu dick für das Breadbord, Durchmesser der Stiftleitungen 0,58 mm, mkn] Werkstoff: Messing, versilbert Datenblatt -Bei Verwendung der Module auf dem Breadboard eignen sich die Lötnägel nicht. Die Kontakte werden durch die Lötnägel zu stark geweitet. -> Stiftleiste Pin Header männlich 40 Pin 2.54mm - Inbetriebnahme, Überprüfung der Funktionsfähigkeit - Oops, alle defekt? Eingangsspannung ca. Ausgangsspannung - 5V sollten eingestellt werden, Regler nach Links drehen, einige Umdrehungen(ca. 10) und die Ausgangsspannung beginnt sich zu erniedrigen |
-
LM2596S DC-DC Step Down Modul - alternative Bezugsquellen mit längeren Lieferzeiten - https://de.aliexpress.com/item/32626395474.html - LM2596S DC-DC einstellbarer Step-Down Spannungsregler Adjustable Power Supply Modul -hier werden nur 65 kHz Schaltfrequenz angegeben - NEO-M8N Flight Controller GPS Modul |
||||||||||||||
| -
DC-DC Step Down 3A - LM2596
Schaltbild |
|||||||||||||||
| - Nutzung, Erfahrungen, Verbesserungen - Störstrahlung, ... - Einbau in Weissblech-Gehäuse - zusätzliche Eingangs- und Ausgangsfilter - Universalplatine für Abwärtsregler, Uwe Richter - DC8RI, FUNKAMATEUR 2015 H. 11, S 1188 -1190 |
|||||||||||||||
| - Mini DC-DC Step-down Spannungsregler MP1584EN Buck Power Module Outout 0,8--20V 3A | |||||||||||||||
| -AMS1117
3,3V Stromversorgungsmodul für Arduino, Raspberry Pi - Linearregler |
- AMS1117 Stromversorgungsmodul 3.3V | ||||||||||||||
- Stromversorgungsmodul für Breadboard MB102 |
|||||||||||||||
| - HW131 – Netzteil Adapter für Breadboard MB102 Datenblatt | |||||||||||||||
| - Betrieb über lange Zuleitung,
ca 2 m, vom DC-Netzteil - Schwingneigung, Beschaltung der Regler überprüfen, Datenblatt, Schaltbild - Eingangs-C des 5 V-Reglers mit 10 nF angegeben, gefordert ... |
|||||||||||||||
| - Low Noise DC Supply | |||||||||||||||
| - Simple circuits reduce regulator noise floor - Steve Hageman | |||||||||||||||
| ----------------------------------- | |||||||||||||||
| -
https://www.meanwell.com/Upload/PDF/Short_Form_dd_en.pdf |
|||||||||||||||
| - gesucht DC-DC-Wandler 13,8 V auf 24-28 V, 1,5 A | |||||||||||||||
| - Kompakte Spannungsversorgung mit mehreren Ausgängen by Reinhardt Weber, DC5ZM | FUNKAMATEUR 2021, H.2 S.121 | ||||||||||||||
| Anwendung für QO100-Station - Bereitstellung der verschiedenen Betriebsspannungen - PCB-Layout, 100 mm * 80 mm - Eingang 1: 24 V - Eingang 2: 12 V - Ausgänge: 24 V, 12 V, 5 V, 3,3 V - Speiseweiche für LNB - Einkopplung der REF für die LNB-PLL, Schwingkreise 2,2 uH//18pf(25,29 MHz ohne Berücksichtigung der Eigenkapazität der Induktivittät) - Schaltreglermodul MP1584EN |
|||||||||||||||
| -
Mini DC-DC Step-down Spannungsregler MP1584EN Buck Power Module Outou
(eckstein-shop.de) 1,29 € 16.04.2022 Technische Daten: Eingangsspannung: 4.5V ~ 28V Ausgangsspannung: 0,8 V ~ 20V Ausgangsstrom: 3A (max) Wirkungsgrad: 96% (max) Restwelligkeit: <30mv Schaltfrequenz: 1,5 MHz (max), 1 MHz (normal) Betriebstemperatur: -45 ~ +85 Grad Größe: 22mm x 17mm x 4mm |
|||||||||||||||
| -
MP1584EN-LF-Z Monolithic Power Systems Inc. | Integrierte Schaltungen
(ICs) | DigiKey - Datenblatt |
Wie kommt man zum Preis für das Modul? | ||||||||||||||
| Spannungsanzeige | |||||||||||||||
|
Mini DC 0-100V Yellow LED 3-Digital Display Voltage Voltmeter Panel
Motor 0.28" - dreistellig - Verpackung 5401359 Made in China Bestückung - 7133H Spannungsregler Ausgangsspannung 3,3 V - IC ???, keine Markierung - Einstellregler - Diode, Markierung S$ - LED-Anzeige: 2832BG Anschlüsse: - drei Drähte - Schwarz: GND, Minus - Rot : Vcc, Plus - Gelb : Messeingang - Stromaufnahme bei 5 Volt, Eingang auf GND: |
-ähnliche
Bestückung, -technische Parameter "Description: Color: Red Three line Measuring range: DC 0V-100V Two line measuring range: DC 4-30V Working current: More than 20Ma Input range: DC 5-30V Display: Three 0.28inch digital tube Dimensions: 24mm * 11mm * 9mm Perforation size: 23mm * 10.5mm Refresh rate: 200mS / times Measurement accuracy: 1% Operation Temp: -10 - +65 degree Feature: 1. Three wires digital voltmeter, 0.28" LED display, mini size, with reversal protection. 2. Measure voltage range 0-100V, need DC4-30V external power supply." |
||||||||||||||
| -
3-stelliges digitales Voltmeter by Box73 " Produktbeschreibung Messbereich: DC 3,0 V - 30 V (Anzeige bereits ab 2,5 V sichtbar) Stromaufnahme: <30 mA Messgenauigkeit: 1% Betriebstemperatur: -10°C bis+ 80°C Einstellregler zum Nachjustieren der angezeigten Spannung Abmessungen: 30mm x 11,5mm x 9mm (L x H x T) Displayanzeige: Blau Hinweis: Bei einer Spannung bis 9,99 V werden zwei Dezimalstellen angezeigt, ab einer Spannung von 10 V verschiebt sich der Dezimalpunkt und es wird noch eine Dezimalstelle angezeigt." |
|||||||||||||||
| -
Voltmeter Modul DAYPOWER Voltmeter-3 by
Pollin "Technische Daten: Betriebsspannung: 5 V- Messspannungsbereich: 0 - 50 V- Anzeigegenauigkeit: 0,1 V Stromaufnahme: < 25 mA Betriebstemperatur: -10 - + 65° C Maße(LxBxH): 29,7x10,2x6,6 mm Hinweis: Es dürfen nur positive Spannungen gemessen werden. Negative Spannungen führen zur Zerstörung des Moduls! " - Beschreibung - Technische Unterlagen, Schaltplan, Datenblett der MCU - TL341 Datenblatt - STM8S003F Datenblatt |
- Tips and tricks for designing with voltage references by TI |
||||||||||||||
Temperaturmessung |
|||||||||||||||
| - UT 139C: Multimeter, digital, 6000 Counts, TRMS bei reichelt elektronik | |||||||||||||||
| - Temperaturmessung: -40 ... +1000°C / ±1,0% +3 [+3 Anzeigestellen ???] | |||||||||||||||
| -
MEDISANA TM A79 Infrarot-Körperthermometer - Datenblatt |
-> TM A79 Infrarot-Körperthermometer medisana® | ||||||||||||||
| - ... - Zwei integrierte Modi: Körper: 34°C - 43°C, Oberflächen: 0°C - 100°C |
Körpertemperatur: Messung an der Stirn |
||||||||||||||
| - Oberflächen: Messung Umgebungstemperatur sowie der Temperatur von Flüssigkeiten und Oberflächen (0 -100 °C) |
|||||||||||||||
| "Messbereich: Körper: 34 - 43,0°C Oberflächen: 0 - 100°C Messgenauigkeit: Körper: 34,0°C ~ 34,9°C: ± 0,3°C 35,0°C ~ 42,0°C: ± 0,2°C 42,1°C ~ 43,0°C: ± 0,3°C Oberflächen: ± 2°C Skalierung: 0,1°C Messdistanz: 1 - 5 cm" |
|||||||||||||||
| - Gebrauchsanweisung | |||||||||||||||
Thermoschalter |
|||||||||||||||
| - Thermoschalter Pollin | |||||||||||||||
| -
Thermoschalter, KSD 301, 65 °C, 10 A/250 V~, Öffner Schalttemperatur: 65 °C Toleranzbereich: ± 5 K Schaltstrom: 10 A Schaltspannung: 250 V~ Schaltkontakt: 1 Öffner Schaltzyklen: 80000 Anschluss: Flachstecker 6,3 mm Material: Stahl/ALU/Thermoplast (max. 180 °C) Maße (ØxH): 16,1x12,4 mm |
|||||||||||||||
| -
Thermoschalter, KSD 301, 70 °C, 10 A/250 V~, Öffner Info by
Pollin Stromunabhängiger Bimetall-Thermostat mit Öffnerkontakt und automatischer Rückstellung. Ideal zum Einsatz in Heizungen, Saunen, Hausgeräten, Maschinen, Transformatoren, Solaranlagen, uvm. Technische Daten: Schalttemperatur: 70 °C Toleranzbereich: ± 5 K Schaltstrom: 10 A Schaltspannung: 250 V~ Schaltkontakt: 1 Öffner Schaltzyklen: 80000 Anschluss: Flachstecker 6,3 mm Material: Stahl/ALU/Thermoplast (max. 180 °C) Maße (ØxH): 16,1x12,4 mm |
|||||||||||||||
| -
Thermoschalter Thermostat Thermal Fuse KSD301 |
Datenblatt | ||||||||||||||
| -
Bimetallischer
Thermostat, thermischer Schutz, Thermoschalterhersteller |
|||||||||||||||
| - TS65/10 Thermoschalter Kuhne electronic | |||||||||||||||
| - | |||||||||||||||
| - | |||||||||||||||
Kühlkörper |
|||||||||||||||
| - Profilkühlkörper Reichelt | |||||||||||||||
| - Fischer Datenblatt Reichelt | |||||||||||||||
| -
V 6506K, Profilkühlkörper, 100x160x40mm, 0,7K/W, 12,50 € 25.03.2019 - Datenblatt |
|||||||||||||||
| -
Fischer Elektronik GmbH &
Co. KG - Kühlkörper berechnen |
|||||||||||||||
| - Aufsteckkühlkörper FK 237 SA-220 O | Wie auch immer, zuerst in das Lager schauen! | ||||||||||||||
| -
Kühlkörper, 34,9x38, 1x12,7mm TO-220, Lötstifte, 11 K/W
430079 POLLIN - Datenblatt |
|||||||||||||||
Edited on 21.05.24